0755-82724772 工作时间:上午8:00-下午19:00
你的位置:科睿科技 > 汽车及工业照明 > 低功率 > MULTILED
联系我们得到
最新产品资讯及报价
马上联系

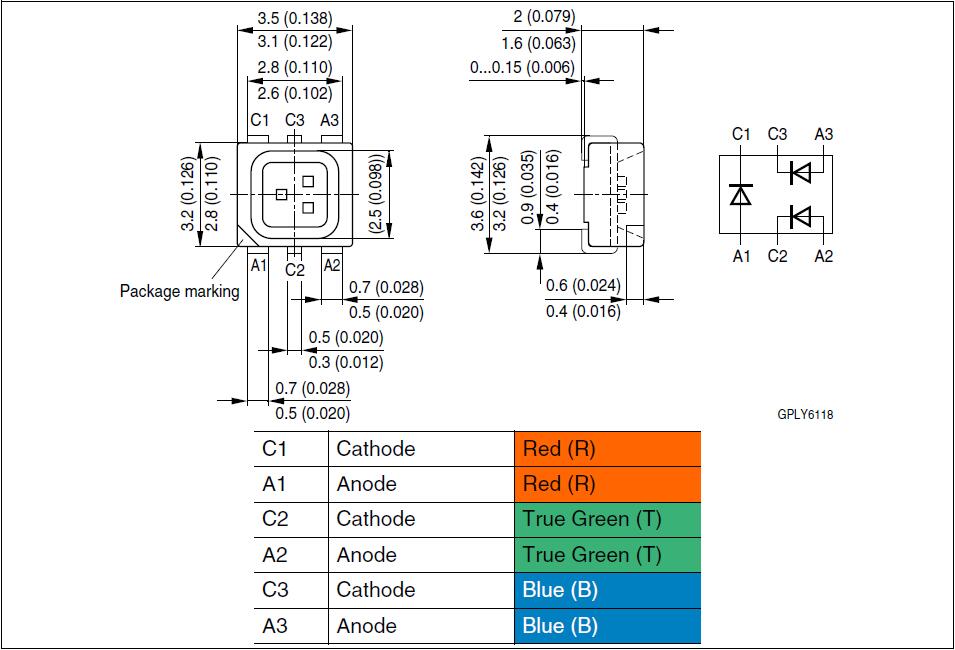
LRTB G6TG

3528(3.5mm*2.8mm),RGB全彩,0.2W,625nm,528nm,470nm

产品详情

照明颜色:红,绿,蓝
波长/色温:625nm,528nm,470nm
光强度:-
光通量/辐射通量:-
显色指数 - CRI:-
显示角:120 deg
If - 正向电流:20 - 50 mA
Vf - 正向电压:2.1 - 3.2 V

G6TG 规格图.jpg

OSRAM/欧司朗全系列LED发光二极管广泛应用于:


普通照明及标志照明

  建筑物照明和室内照明

  设计和效果照明

  广告照明

  紧急照明

  标志和槽型字

  交通信号灯

  取代传统的灯泡

汽车

  外饰:日间行驶灯、雾灯、前转指示灯

  内饰:仪表板背光、汽车氛围灯

通讯

  移动电话和数码相机的闪光灯


微信二维码.png


上一篇:LRTB G6SG

下一篇:LRTB GFTG

关于我们

深圳科睿伟业科技有限公司
主要销售欧司朗各类LED发光管,
广泛应用于各类电子产品中。

联系我们

深圳市福田区
深南中路3006号佳和大厦A座701-703室

服务热线

0755-82724772
(工作时间:9:00-19:00 国家法定节假日除外)