0755-82724772 工作时间:上午8:00-下午19:00
你的位置:科睿科技 > 汽车及工业照明 > 低功率 > TOPLED
联系我们得到
最新产品资讯及报价
马上联系

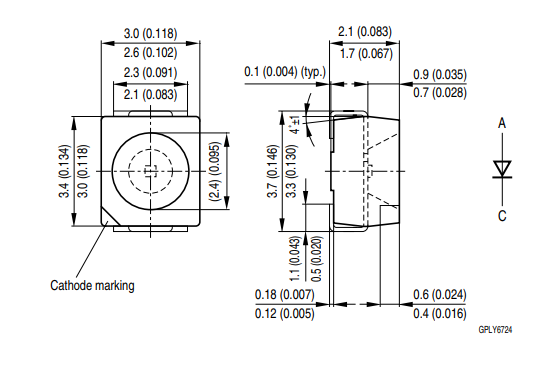
LA T676

3528/1210(3.5mm*2.8mm),琥珀红光,0.04w,615nm,90mcd-355mcd

产品详情

照明颜色:琥珀红光
波长/色温:615 nm
光强度:90mcd - 355 mcd
光通量/辐射通量:0.3 lm - 0.95 lm
显色指数 - CRI:-
显示角:120 deg
If - 正向电流:20 mA
Vf - 正向电压:2 V

3528两脚.png

上一篇:没有了

下一篇:LB T673

关于我们

深圳科睿伟业科技有限公司
主要销售欧司朗各类LED发光管,
广泛应用于各类电子产品中。

联系我们

深圳市福田区
深南中路3006号佳和大厦A座701-703室

服务热线

0755-82724772
(工作时间:9:00-19:00 国家法定节假日除外)